首页
关于我们
企业介绍
新闻中心
产品中心
MOSFET
二极管
三极管
IC产品
IGBT
IPM
第三代半导体
其他
应用领域
质量体系
质量方针
体系证书
环境物质检测报告
联系我们
EN
EN
首页
>>
应用领域
>>
工业控制
电动工具
发布日期:2024-11-01
POS机
2024-11-14
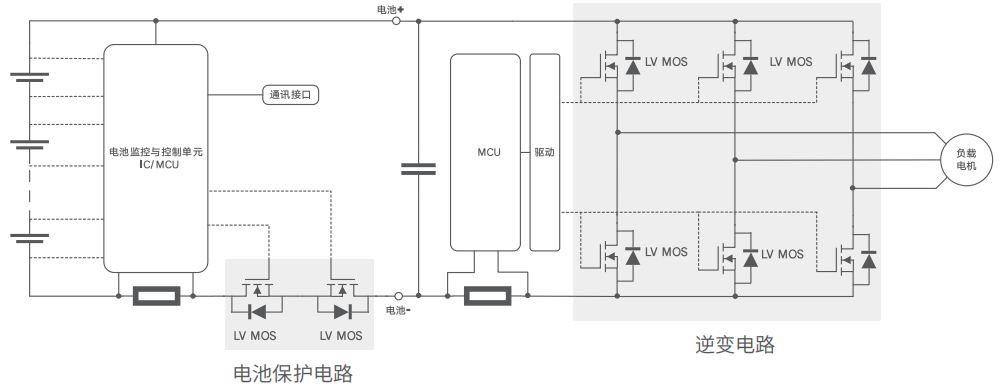
无刷电机
2024-11-12
高速风筒
2024-11-11
电动牙刷
2024-11-11
便携式储能
2024-11-11
直流充电桩
2024-11-01
光伏 - 储能系统
2024-11-01
电动车
2024-11-01
服务器电源
2024-11-01